Продукты
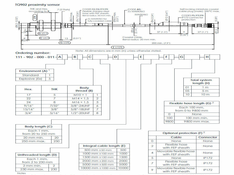
The TQ902-011 111-902-000-011 A5-B1-C72-D2-E10000-F2-G9800-H10 is a proximity sensor for Vibro-Meter monitoring systems, measuring shaft vibration and axial displacement.
Бренд :
VMНомер части :
TQ902-011 111-902-000-011 A5-B1-C72-D2-E10000-F2-G9800-H10Описание :
Proximity SensorИсточник :
SwitzerlandСостояние :
NewИзмерение :
8.2 mm x 1000 mmМасса :
1 kgОплата :
Bank Transfer
TQ902-011 111-902-000-011 A5-B1-C72-D2-E10000-F2-G9800-H10 Proximity Sensor
Description
TQ902-011 is a dedicated eddy current proximity sensor for Meggitt Vibro-Meter vibration monitoring systems. It precisely measures shaft vibration and axial displacement in rotating machinery, conforming to API 670 standards. This sensor serves as a core component for condition monitoring in large equipment such as turbines and compressors.
Constructed from stainless steel with high-temperature resistance, this sensor is certified for use in hazardous explosion-proof zones. Featuring a standard mounting structure and coaxial cable output, it delivers long-term stable operation in high-temperature, high-interference industrial environments. It is compatible with critical rotating equipment including gas turbines, steam turbines, and generators.
Features
Technical Specifications
| Manufacturer | VM |
| Part Number | TQ902-011 |
| Ordering Information | 111-902-000-011 A5-B1-C72-D2-E10000-F2-G9800-H10 |
| Product Catalog | Vibration Monitoring |
| Description | Proximity Sensor |
| Voltage | 24 Vdc |
| Current | 25 mA |
| Dimensions | 8.2 mm x 1000 mm |
| Weight | 1 kg |

